Elektrycznie sterowane rolety, bramy, wentylatory, domofon i wideodomofon czyli kolejna część poradnika dla budującego dom.
Kontynuuję temat, który omawiałem w artykułach:
- Ile za elektryka, czyli za co płacisz elektrykowi?
- O czym pamiętać w instalacji elektrycznej? Część 1
- Monitoring, alarm, kontrola dostępu czyli o czym pamiętać? Część 2
W poprzednich artykułach omówiłem:
uziemienie, oprzewodowanie, zabezpieczenia przed dotykiem, pyłem i płynami, zabezpieczenia nadprądowe, zabezpieczenia różnicowoprądowe, zabezpieczenia różnicowo-nadpradowe, ograniczniki przepięć, ograniczniki przepięć instalacji teletechnicznych, wyrównanie potencjałów. Zewnętrzną instalację odgromową, zabezpieczenie przed zanikiem napięcia, zabezpieczenie przed iskrzeniem, instalację antenową TV; TV-SAT. LAN (lokalna, domowa sieć komputerowa). WLAN (bezprzewodowa lokalna sieć komputerowa np. Wi-Fi). Kontrolę dostępu, monitoring i alarm.
W tym artykule omówię
Nie są to obowiązkowe narzucone prawem elementy instalacji elektrycznej (dotyczy budownictwa jednorodzinnego).
Wiele osób powie, że elementy te nie zaliczają się do instalacji elektrycznej, lecz patrząc od strony osoby, która nie zna się na elektryce a buduje dom, powyższe zagadnienia często kojarzone są z „elektrykiem” i często są wykonywane właśnie przez elektryka w ramach szeroko pojętej instalacji elektrycznej. Uważam, że nie zaszkodzi krótko je omówić.
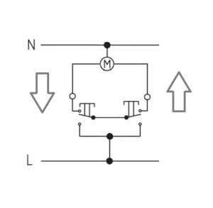
Rolety
Ponieważ poruszam tematy związane z elektrotechniką w domu, nie sposób pominąć zewnętrznych rolet sterowanych elektrycznie.
Rolety ze względu na oprzewodowanie można podzielić na:
| Dwuprzewodowe (L; N; PE) | Trójprzewodowe (L; L`; N; PE) |
![]() |
![]() |
Na schematach silnik rolety oznaczony symbolem M.
Powyższe schematy oraz nazewnictwo zawiera jedno uproszczenie. Przewód ochronny PE w potocznym słownictwie oraz w uproszczonych schematach często jest pomijany.
Rolety trójprzewodowe bez problemu można podłączyć pod praktycznie każdy sterownik roletowy, oraz pod praktycznie każdy łącznik roletowy.
W sprzedaży dostępne są rolety, wyposażone w własny sterownik oraz pilot np. Velux. Użytkownik ma tylko podłączyć zasilanie L; N; PE. Tego typu rolety potocznie nazywane są dwuprzewodowe. Sterowanie roletą dwuprzewodową odbywa się za pomocą pilota. Niektórzy producenci umożliwiają podłączenie do dedykowanego bezprzewodowego systemu. Możliwości sterowania roletami dwuprzewodowymi poza dedykowanymi urządzeniami są mocno utrudnione. W dalszej części artykułu będę omawiał tylko najczęściej spotykane rolety trójprzewodowe.
Od czego zacząć?
Zastanów się jak chciałbyś sterować roletami? Gdzie Twoim zdaniem powinien być umieszczony łącznik roletowy (do sterowania góra / dół)?
To Twój dom i to Ty będziesz go użytkować.
Wyznacz miejsce, z którego Tobie najłatwiej będzie sterować roletą.
Sterownik nie musi znajdować się koło okna. Możesz sterować roletami z tego samego miejsca co włączasz światło w pokoju np. koło drzwi.
Zobacz! Wybór kolorów, i kształtów łączników jest ogromny, poniżej kilka przykładów (pokazałem ramki w układzie poziomym, można wybrać ramki pionowe):
Źródło: https://hager-konfigurator.pl/tim/app/
Większość producentów rolet w swojej ofercie od razu zawiera ręczne (przyciskowe lub obrotowe) sterowniki rolet. Często są to produkty, które nie pasują wyglądem do Twojego wnętrza. Warto z nich zrezygnować już na etapie zamawiania rolet (negocjując obniżenie ceny). Łączniki zakup we własnym zakresie, z tej samej serii (w tym samym kolorze i kształcie) co pozostałe łączniki światła, i gniazdka w Twoim domu.
Ciekawostka
Wybór osprzętu elektroinstalacyjnego (np. gniazd, łączników) jest trudny. Nie ma sklepu, który miałby w swojej ofercie wszystkie kolory wszystkie serie i wielu producentów. Z tego powodu wykorzystując dobrodziejstwo internetu wielu producentów łączników i gniazd stworzyło elektroniczne konfiguratory dzięki którym możesz złożyć i wycenić osprzęt elektroinstalacyjny nie wychodząc z domu.
Niektóre konfiguratory mają nawet możliwość zamiany serii. Jest to o tyle przydatna funkcja, że po złożeniu zestawów na cały dom możesz zmienić serię lub kolor w jednym pomieszczeniu, całym domu lub tylko wybranym zestawie.
Wybierz swój własny zestaw gniazd, łączników, ramek. Wypróbuj konfiguratory różnych producentów >>
Czy warto montować automatykę do sterowania rolet?
TAK, powodów jest kilka:
- oszczędności na ogrzewaniu / chłodzeniu,
- w lecie budynek zdecydowanie mniej się nagrzewa,
- w zimie budynek dużo mniej traci ciepło.
- Oszczędzasz czas
Skąd wynika oszczędność czasu?
Zobacz na przykładzie. Budynek w którym jest 10 rolet sterowanych elektrycznie. Rolety mają różną długość, co ma wpływ na czas zamykania i otwierania. Dla ułatwienia uśrednijmy czas zamykania lub otwierania rolety na 30 sekund.
Sterowanie roletą odbywa się poprzez naciśnięcie i trzymanie przycisku. Puszczenie przycisku powoduje, że roleta zatrzymuje się.
W celu dokonania obliczeń zróbmy pewne założenia. Oczywiście w codziennym życiu wygląda to trochę inaczej. Na pewno za każdym razem nie będziesz otwierał lub zamykał rolet w całym domu, tu chciałbym zwrócić Ci uwagę na czas jaki poświęcasz tej czynności oraz podpowiedzieć sposób w jaki możesz sam dokonać własnych obliczeń.
W trakcie każdego dnia wszystkie rolety:
- rano otwieramy,
- przed wyjściem do pracy zamykamy,
- po powrocie z pracy otwieramy,
- wieczorem zamykamy.
Cykl dzienny
| Dzienny cykl jednej rolety | ![]() |
|
| Rano otwarcie | 30 sekund | |
| Przed pracą zamknięcie | 30 sekund | |
| Po pracy otwarcie | 30 sekund | |
| Wieczorem zamknięcie | 30 sekund | |
| Łączny czas sterowania jedną roletą: | 120 sekund | |
W trakcie dnia sterowanie jedna roletą zajmuje 120 sekund czyli 2 minuty.
Cykl miesięczny
![]() |
Czas poświęcony na ręczne sterowanie jedną roletą | |
| 1 dzień | 2 minuty | |
| 1 tydzień (7 dni) | 14 minut | |
| 1 miesiąc (30 dni) | 60 minut | |
W trakcje jednego miesiąca musimy na sterowanie roletą przeznaczyć 60 minut czyli 1 godzinę.
Cykl dwuletni
| Czas poświęcony na ręczne sterowanie jedną roletą | ![]() |
|
| 1 miesiąc (30 dni) | 1 godzina | |
| 1 rok (12 miesięcy) | 12 godzin | |
| 2 lata (24 miesiące) | 24 godziny | |
W trakcie dwóch lat na sterowanie jedną roletą musisz poświęcić 24 godziny czyli całą dobę.
Cykl dziesięcioletni
![]() |
Czas poświęcony na ręczne sterowanie jedną roletą | |
| 2 lata | 1 doba | |
| 4 lata | 2 doby | |
| 10 lat | 5 dób | |
Podsumowanie
Po 10 latach czas spędzony przy JEDNEJ rolecie to 5 dób czyli 120 godzin (bez przerwy). Pamiętasz, robiliśmy założenia, że mamy 10 rolet. To daje 50 dni i czas 1 200 godzin.
Nie spodziewałeś się takiego wyniku? Sprawdź czy nie zaszła pomyłka w obliczeniach?
Porównując wynik 1 200 godzin spędzonych na sterowaniu roletami do standardowego 8 godzinnego dnia pracy oznacza to, że w czasie gdy Ty sterujesz 10 roletami przez 10 lat mógłbyś przepracować (zarobić na automatykę 😉 i wakacje).
| dzień pracy | 8 godzin | ![]() |
| tydzień pracy (5 dni roboczych) | 40 godzin | |
| miesiąc pracy | 160 godzin | |
| 7,5 miesiąca pracy | 1 200 godzin |
Teraz wiesz dlaczego jestem zwolennikiem automatyzacji w sterowaniu roletami 🙂
Skąd wynikają oszczędności na ogrzewaniu / chłodzeniu?
Chłodzenie – w lecie budynek mocno się nagrzewa dzięki promieniom słonecznym, które wpadają do domu poprzez okna i nagrzewają budynek. Jeśli okno w odpowiedniej porze dnia zostanie zasłonięte przez roletę, promienie słoneczne odbiją się od niej i nie nagrzeją budynku.
Warto aby okno było szczelnie zamknięte, ponieważ pomiędzy szybą a roletą powietrze jest dość nagrzane a chyba nie zależy Ci na tym aby gorące powietrze dostawało się do pomieszczeń?
Nie oznacza to, że roleta ma zostać całkowicie zamknięta, a w pomieszczeniu ma być ciemno. Wystarczy, że roleta zostanie zamknięta w 85 – 90%. Przy takim ustawieniu rolety w pomieszczeniu panuje półmrok.
Co to oznacza w praktyce?
Trzeba znać swój budynek oraz zwyczaje domowników.
W lecie
Wiedzieć, które okna w jakich godzinach są nasłonecznione.
Sterowanie roletami powinno być tak zaprogramowane, aby w odpowiednim czasie roleta sama się opuściła do wymaganego poziomu.
Zastanów się chwilę nad roletą na drzwiach balkonowych.
Proponuję aby ta roleta zamknęła się najpierw na 5% po kilku minutach o kolejne 10% i po kolejnych kilku minutach na wymagane 80-90%.
Sugestia moja spowodowana jest praktyką.
Czy podczas lata nie wychodzisz na balkon np. powiesić prania? Co jeśli w czasie gdy będziesz na balkonie roleta zasłoni się. Możesz zostać na balkonie, bez telefonu a w domu może być tylko śpiące małe dziecko. Jak szybko w takiej sytuacji jesteś w stanie wezwać pomoc i czy osoba z zewnątrz np sąsiadka będzie w stanie wejść do Ciebie do domu aby otworzyć roletę?
Otwieranie rolet również powinno być przemyślane.
Jeśli pod oknem masz trawnik lub rabatę z kwiatami okno można otworzyć niedługo po tym jak promienie słoneczne przestaną świecić w Twoje okno.
Jeśli pod oknem masz balkon, betonowy podjazd lub chodnik, warto wstrzymać się z odsłanianiem rolety. Nagrzane betonowe elementy jeszcze długo oddają ciepło. Jeśli otworzysz roletę zbyt wcześnie, nagrzane powietrze ogrzeje całe pomieszczenie.
Nocą warto aby rolety były odsłonięte, a okna uchylone. Dzięki temu dodatkowo ochłodzisz budynek.
W zimie
Duże straty ciepła są spowodowane zimnym wiatrem, który wychładza okna. Jeśli roleta jest zamknięta, pomiędzy roletą a szybą powstaje „poduszka powietrzna” dzięki czemu szyba okienna jest odizolowana od zimnego wiatru przez co zdecydowanie mniej ciepła ucieka ta drogą. Koszty ogrzewania będą mniejsze 😉
Ważne aby rolety były zamknięte we właściwej porze. Czyli wówczas gdy na zewnątrz jest ciemno, lub gdy w domu nie ma żadnych domowników.
Podsumowanie
Jeśli chcemy maksymalnie wykorzystać korzyści jakie dają rolety sterowane elektrycznie, warto zautomatyzować proces zamykania i otwierania rolet w całym domu.
Człowiek po prostu nie jest w stanie zawsze wykonywać powtarzalnych czynności zawsze we właściwym czasie.
Już miałeś zamknąć rolety, ale zadzwonił kolega i się zagadałeś. Po kilku godzinach zamknięcie rolety niewiele dało bo jest upalny letni dzień i pomieszczenie już się nagrzało.
Już szłaś zamknąć roletę, ale w telewizji nadawany był ciekawy fragment serialu. Zasiedziałaś się… W zimie zmrok zapada szybko, słońce dawno zaszło a rolety ciągle odsłonięte…
Przypomniałaś sobie i zamknęłaś rolety idąc spać. Cóż przez kilka godzin sporo ciepła zostało stracone poprzez okno… To tylko kilka groszy, tylko skat potem biorą się rachunki?
Chciałbym zachęcić Cię do krótkiej zabawy. Czy wiesz jak urządzenia elektryczne wpływają na wysokość Twoich rachunków za prąd? Zobacz mój kalkulator >>
Czy zdarzyło Ci się latem, podczas ładnej pogody wyjść z domu na zakupy i zostawić uchylone okna? Co jeśli nagle zacznie się burza? Jeśli masz rolety elektrycznie sterowane podłączone do sterowników którymi możesz zdalnie zarządzać możesz zamknąć przymknąć lub otworzyć rolety za pomocą Twojego smartfona.
W jaki sposób mogę sterować roletami?
Roletami można sterować na kilka sposobów. Co bardzo ważne sterowanie roletami można rozbudowywać o kolejne sposoby, nic nie tracąc (pod warunkiem, że ustalisz to z instalatorem, który odpowiednio przygotuje instalację elektryczną). Po prostu dokładamy kolejne możliwości sterowania.
- Sterowanie lokalne z przycisku:
- jedną roletą,
- grupą kilku rolet,
- kilkoma grupami rolet.
- Sterowanie zdalne np. przy pomocy aplikacji,
- sterowanie czasowe z wykorzystaniem programatorów
Przykład
Poniżej przedstawiony jest przykład pomieszczenia z dwiema roletami sterowanymi z łączników (przycisków).
- każdą roletę można wysterować indywidualnie,
- obie rolety (grupę) można wysterować z osobnego łącznika (przycisków).

W ten sposób w całym domu możesz mieć możliwość sterowania każdą roletą osobno. Wszystkie rolety na parterze możesz mieć podpięte pod jedną grupę (nazwijmy ją parter). Cała grupa sterowana jest z osobnego łącznika (klawiszy).
Wszystkie rolety na piętrze możesz mieć podpięte w jedną grupę (nazwijmy ją piętro). Cała grupa sterowana jest z osobnego łącznika (klawiszy).
Obie grupy (parter i piętro) są połączone w grupę dom, sterowaną z osobnego łącznika (klawisza).
Dzięki takiemu połączeniu np. rano z jednego klawisza grupa „piętro” możesz otworzyć wszystkie rolety na piętrze.
Wychodząc z domu za pomocą łącznika od sterowania grupą „dom” możesz zamknąć wszystkie rolety w całym domu. Dzięki sterowaniu grupą rolet wszystkie rolety mogą się automatycznie zamknąć, wystarczy że uzbroisz alarm. Aby tak się stało należy na etapie układania przewodów przewidzieć odpowiednie funkcjonalności i przygotować instalacje elektryczną w sposób który umożliwi w przyszłości zrealizowanie takiej funkcjonalności.
Teraz wiesz, dlaczego nie pisałem nic na temat przewodów jakie należy prowadzić do rolet. Sposób oprzewodowania zależy od tego jakie funkcje chcesz realizować, gdzie zamontujesz sterowniki (w puszce czy w rozdzielnicy)?
Jak zamknąć lub otworzyć rolety gdy nie ma prądu?
Do awaryjnego zamknięcia lub otwarcia rolet można wykorzystać UPS. Jak się słusznie domyślasz nie może to być przypadkowy, lecz odpowiednio dobrany UPS. Temat doboru UPS do rolet omówiłem w artykule zatytułowanym: UPS do domku, czyli awaryjne zasilanie rolet i pieca CO
Więcej na temat sterowania roletami napiszę w osobnym artykule.
Bramy
sterowane elektrycznie 😉
Jest wiele rodzajów bram. Na przykładzie bramy garażowej możemy bramy podzielić na:
- bramy dwuskrzydłowe (rozwierne),
- bramy uchylne,
- bramy segmentowe,
- bramy roletowe
- bramy przesuwne
- boczna brama segmentowa (zobacz poniższy film)
Niezależnie od producenta i rodzaju bramy jaką wybierzesz każda z nich będzie miała zamontowany sterownik z możliwością sterowania za pomocą załączonych pilotów.
Większość sterowników umożliwia podłączenie dodatkowego przycisku (łącznika) za pomocą którego będziesz w stanie otwierać i zamykać bramę. Najtańsze sterowniki bramy ciężko jest zintegrować z zewnętrzną automatyką, lub integracja jest możliwa z dedykowanymi systemami automatyki (Inteligentnego domu).
Źródło: Horman https://www.hormann.pl/prywatni-inwestorzy/bramy-garazowe/boczne-bramy-segmentowe/
Integracja bramy z innym systemem sterowania
Jeśli bramę będziesz chciał w przyszłości zintegrować z jakąś automatyką (teraz nie musisz podejmować decyzji z jaką) warto sprawdzić czy sterownik zamontowany w bramie umożliwia:
- sterowanie z zewnętrznego łącznika (przycisku),
- przy pełnym zamknięciu bramy podaje informację np. z wyłącznika krańcowego,
- przy pełnym otwarciu bramy podaje informację np. z wyłącznika krańcowego?
Ważne aby informacja o pełnym otwarciu i pełnym zamknięciu bramy była przekazywana poprzez dwa osobne styki.
Takie funkcjonalności mają przeważnie droższe sterowniki. Większość producentów bram w standardzie daje tanie sterowniki które ciężko jest zintegrować z zewnętrzną automatyką.
Przydatne opcje
Przygotowując się do decyzji o zakupie bramy wjazdowej na posesję lub bramy garażowej warto sprawdzić opcje dodatkowe jakie posiada brama czyli:
- zabezpieczenia np. fotokomórki, bariery podczerwieni, listwy krawędziowe, które zabezpieczają aby brama nie zamknęła się gdy w świetle bramy znajduje się przeszkoda np. samochód, człowiek, przypadkowo zostawiona rzecz.
- Oświetlenie. Do większości sterowników bram można podłączyć zewnętrzne oświetlenie w postaci światła w garażu lub ostrzegawczej lampy sygnalizacyjnej. Można np. podłączyć oświetlenie zewnętrzne np. podjazd.
Pod wszystkie te elementy należy przewidzieć przewody, które najlepiej układać na etapie wykonywania instalacji elektrycznej. Można też zamiast przewodów ułożyć rurki, w które zostaną w późniejszym czasie wciągnięte przewody.
Rada praktyka
Bez względu czy układamy przewody czy rurki należy zastanowić się jak będą połączone przewody?
Pozwoli to wyznaczyć trasy prowadzenia przewodów / rurek. Należy zastanowić się w których miejscach zamontować puszki łączeniowe? Jakie średnice przewodów będą do podłączenia oraz czy sterownik ma wystarczająco dużo miejsca na połączenie przewodów o przekrojach, które zostały położone. Może trzeba będzie przed samym sterownikiem założyć puszkę łączeniową w której dokonamy połączenia przewodów sztywnych np. YDYp 1,5 mm2 na giętkie np. Lgy 0,5 mm2?
Obszar przed bramą, lub pod prowadnicą w bramie przesuwnej można zabezpieczyć przeciw zamarzaniu. Dzięki temu chroniony obszar nie będzie się pokrywał lodem, a śnieg będzie topniał. Również uszczelko bramy roletowej, segmentowej czy uchylnej nie będzie przymarzała.
Na rynku dostępne są prewencyjne systemy przeciwoblodzeniowe w postaci elektrycznych kabli i mat grzewczych montowanych w podłożu np. w betonie, w posadzce, pod kostką czy trawnikiem. Chęć założenia systemu przeciwoblodzeniowego należy ustalić z instalatorem wykonującym instalację elektryczną, ponieważ wymaga to przygotowania przewodów i kabli zasilających, zabezpieczeń w rozdzielnicy itd.
Elektrycznie sterowaną bramę, w przypadku braku zasilania możesz zamknąć ręcznie, lub można do tego celu wykorzystać odpowiednio dobrany UPS. Więcej na ten temat znajdziesz w artykule zatytułowanym: UPS do domku, czyli awaryjne zasilanie rolet i pieca CO.
Temat sterowania bram poruszę szczegółowo w osobnym artykule.
Wentylacja
W tym artykule ograniczę się do zasygnalizowania kilku tematów związanych z wentylacją, a dokładnie z przygotowaniem okablowania pod wentylatory. Temat doboru wentylatorów poruszę szczegółowo w osobnym artykule.
Temat tylko pozornie wydaje się prosty.
Budując dom określ gdzie ma być zamontowany wentylator?
- Na ścianie,
- na suficie,
- na dachu,
- nad podwieszanym sufitem,
- na zewnętrznej ścianie?
Zastanów się jak ma być włączany /wyłączany wentylator:
- klawiszem,
- łącznikiem sznurkowym
- po wykryciu wilgoci, ma działać do czasu gdy wilgotność nie spadnie do wymaganego poziomu
- po wykryciu ruchu na określony czas
- czasowo, według harmonogramu
- ma uruchamiać się automatycznie np. po zapaleniu w WC światła, a po zgaszeniu światła wentylator ma działać przez zaprogramowany czas (podtrzymanie)?
Gdzie ma być zamontowany wentylator?
Każdy wentylator ma określone przez producenta warunki pracy wpływające na bezpieczeństwo, bezawaryjną pracę oraz żywotność wentylatora. W zastosowaniach domowych najważniejsze parametry to:
- IP czyli zabezpieczenie przed dotykiem, pyłem i płynami Zobacz >>
- Pozycja pracy, uzależniona od rodzaju łożysk zamontowanych w wentylatorze. Łożyska kulkowe są droższym rozwiązaniem lecz w większości przypadków umożliwiają zamontowanie wentylatora w suficie oraz na ścianie (praca w pionie i w poziomie). Łożyska ślizgowe, najczęściej narzucają poziomą pracę wentylatora czyli można go zamontować tylko na ścianie.
Warto spojrzeć na temat od strony ułożenia przewodów elektrycznych zagadnienie jest o tyle ważne, że narzuca konieczność doprowadzenia przewodów (rzecz oczywista) oraz zmusza odpowiedzialnego instalatora do zastanowienia się jak zostanie do instalacji podłączony wentylator?
- Czy przewody zostaną wpięte bezpośrednio w wentylator (w którym miejscu wentylator ma miejsce na wprowadzenie przewodów)
- Czy do wybranego modelu wentylatora da się podłączyć przewody wyprowadzone przez elektryka (np. YDYp żo 3×1,5 mm2 lub YDYp żo 4×1,5 mm2)? Czy żyła żo w wentylatorze łazienkowym jest obowiązkowa? Może warto przewidzieć puszkę łączeniową z której do wentylatora poprowadzony zostanie przewód w postaci linki np. 2×0,75 mm2 lub 2×0,5 mm2? W jakim miejscu umieścić puszkę z uwzględnieniem wykończenia np. łazienki (czy puszka nie zostanie zakryta kafelkami)?
Zobacz, na poniższych przykładach, w którym miejscu producent przewidział miejsce na wprowadzenie przewodu do wentylatora oraz gdzie go podłączyć?
![]() |
![]() |
| Seria S | Seria QUIET |
![]() |
![]() |
| Seria KLIQ | Seria MATIC |
![]() |
![]() |
| Seria PF | Porównanie informacji z instrukcji montażu |
Jak sterować wentylatorem czyli jak ma być włączany i wyłączny wentylator?
To Twój dom i Ty będziesz w nim mieszkał. Często popełnianym błędem jest określenie instalatorowi: tu ma być wentylator. Instalator zrobi według własnego pomysłu, i ciężko mieć do niego o to pretensje.
Najczęściej spotykane metody sterowania wentylatorami np. w łazience.
Klawiszem
Wentylator ma dedykowany łącznik którym włącza i wyłącza się wentylator (podobnie jak światło).
Po wykryciu wilgoci
W wentylatorze zabudowany jest czujnik wilgoci. Jeśli w pomieszczeniu wilgotność zbyt mocno wzrośnie (przeważnie możliwa jest regulacja w zakresie 60 – 90 % wilgotności względnej) wentylator uruchamia się automatycznie do czasu, aż poziom wilgoci spadnie poniżej ustawionego.
Łącznikiem sznurkowym
Wentylator ma w sobie wbudowany łącznik sznurkowy lub łańcuszkowy za pomocą którego włącza i wyłącza wentylator.
Po wykryciu wilgoci, ma działać do czasu gdy wilgotność nie spadnie do wymaganego poziomu. Najczęściej wentylator ma wbudowany czujnik wilgoci (można też zastosować zewnętrzny czujnik), ale należy przewidzieć miejsce zamontowania czujnika oraz oprzewodowanie pomiędzy czujnikiem a wentylatorem.
Po wykryciu ruchu
na określony czas. Najczęściej wentylator ma wbudowany czujnik ruchu. Po wykryciu ruchu wentylator załącza się na zaprogramowany czas.
Decydując się na to rozwiązanie należy uwzględnić miejsce zamontowania wentylatora co ma bezpośredni wpływ na obszar działania czujnika ruchu (obszary detekcji mogą się różnić).
Warto zastanowić się czy nie podłączyć zwykłego wentylatora (bez czujnika ruchu) do zewnętrznego czujnika ruchu umieszczonego w dogodnym dla nas miejscu i monitorującym interesujący Cię obszar. Różnorodność czujników jest ogromna szczegółowo temat omówię w osobnym artykule. Niezależnie od wybranego czujnika należy przygotować instalację elektryczna która umożliwi podłączenie czujnika ruchu i wentylatora.

Czasowo, według harmonogramu
Wentylator ma wbudowany timer opóźniający wyłączenie np. w zakresie od 2 do 30 minut. Użytkownik sam ustawia z jakim opóźnieniem wentylator ma się wyłączyć. Można również podłączyć wentylator do zewnętrznego programatora, który umożliwia włączanie i wyłączanie wentylatora według zaprogramowanych nastaw.
Przykład
W dni robocze godzinie 8:00 w domu nikogo nie ma, wszyscy wyszli do szkoły, do pracy. Warto aby łazienka i WC zostało dobrze przewentylowane w celu usunięcia wilgoci. Wentylator ma działać przez godzinę. Podobna sytuacja występuje wieczorem gdzie po wieczornej toalecie domownicy udają się na spoczynek. Na podstawie zwyczajów domowników można ustawić aby wentylator włączał się o godzinie 00:00 i pracował do godziny 1:25.
Możliwości programowania zależą od użytego programatora.
Wentylator ma uruchamiać się automatycznie np. po zapaleniu w WC światła
a po zgaszeniu światła wentylator ma działać przez zaprogramowany czas (podtrzymanie).
Na rynku są dostępne wentylatory z wbudowaną funkcją podtrzymania. Taki wentylator podłącza się do instalacji elektrycznej połączonej z oświetleniem. Włączenie światła powoduje uruchomienie wentylatora. Wentylator będzie działał przez cały czas gdy światło jest włączone. Po wyłączeniu światła wentylator będzie działał nadal przez zaprogramowany czas.
Schematy połączeń
W zależności od funkcji jakie posiada wentylator, oraz od tego w jaki sposób chcesz nim sterować, należy w różny sposób przygotować oprzewodowanie. Zobacz poniższe schematy.
![]() |
![]() |
Podsumowanie
Omówiłem najczęściej spotykane funkcje wentylatorów stosowanych w domach. Na rynku dostępne są wentylatory z różnymi rozbudowanymi funkcjami np. sterowanie z pilota, dekoracyjne podświetlenie podczas pracy, z automatyczna żaluzją itd. Często wentylatory mają wbudowanych kilka opcji takich jak czujnik wilgoci, czujnik ruchu, podtrzymanie.
Przykład funkcji wentylatorów serii Quiet:
Dla własnej wygody, wybierając wentylator zwrócić uwagę na hałas jaki towarzyszy pracy wentylatora.
| dB(A) | Charakterystyka | Źródło hałasu | ![]() |
| 10 | Prawie nic nie słychać | Cichy szelest liści | |
| 15 | Ledwie słychać | Szelest liści | |
| 20 | Szept człowieka z odległości 1 m | ||
| 25 | Cicho | Szept człowieka z odległości 1 m | |
| 30 | Szept, tykanie ściennego zegara | ||
| 35 | Wystarczająco słychać | Przyciszona rozmowa | |
| 40 | Zwykła rozmowa | ||
| 45 | Rozmowa o zwykłej głośności | ||
| 50 | Wyraźnie słychać | Rozmowa, maszyna do pisania | |
| 65 | Głośno | Głośna rozmowa z odległości 1 m | |
| 75 | Krzyk, śmiech | ||
| 80 | Bardzo głośno | Krzyk, dźwięk motocykla z tłumikiem | |
| 85 | Głośny krzyk | ||
| 90 | Pociąg towarowy z odległości 7 m | ||
| 95 | Dźwięk przejeżdżającego metra |
Źródło: na podstawie katalogu Vents Group
Temat związany z doborem wentylacji i rekuperatorami poruszę w osobnym artykule.
Domofon / Wideodomofon
Domofon, zwany również bramofonem. Służy do komunikacji głosowej pomiędzy kasetą bramofonową, a unifonem czyli słuchawką zamontowana wewnątrz pomieszczenia.
Wideodomofon, służy do komunikacji głosowej i jednostronnej komunikacji wizji (od stacji bramowej do monitora).
Ponieważ wiele zagadnień jest wspólnych dla domofonu i wiedeodomofonu omówię je razem.
![]() |
![]() |
| Domofon jednorodzinny | Wideodomofon jednorodzinny |
Domofony / wideodomofony możemy podzielić na:
- jednorodzinne,
- wielorodzinne,
lub ze względu na komunikację na:
- przewodowe,
- bezprzewodowe.
Ponieważ w serii artykułów omawiam szeroko pojętą instalację elektrotechniczną w domku jednorodzinnym w tym artykule skupię się na domofonach / wideodomofonach jednorodzinnych. Produkty te, można kupić w gotowych zestawach, lub można złożyć swój zestaw (w większości z użyciem tych samych produktów).
Zaletą samodzielnego złożenia zestawu jest możliwość dobrania elementów do swoich potrzeb
Od czego zacząć?
Decydując się na domofon / wideodomofon warto zastanowić się:
Gdzie montować unifon / monitor?
Czyli w ilu miejscach chcesz mieć możliwość odebrać rozmowę?
![]() |
![]() |
| Unifon | Monitor |
Przykład:
Jeśli w domku jednorodzinnym który składa się z piwnicy, parteru i piętra zamontujesz tylko jeden unifon / monitor, za każdym razem gdy będzie ktoś dzwonił będziesz zmuszony biec do unifonu / monitora. Może warto rozważyć montaż unifonu / monitora na każdym piętrze?
Czy w piwnicy również jest sens montować unifon / monitor?
W mojej ocenie TAK. W piwnicy często robi się spiżarnie, pralnie, lub warsztat. Czy wówczas warto biec z piwnicy na parter do dzwoniącego unifonu / monitora?
Można podejść do tematu ekonomicznie. Przewody rozprowadzić na każde piętro, natomiast w późniejszym etapie nie wszędzie musisz montować monitory / unifony. Przygotowane przewody dają Ci możliwość założenia unifonu lub monitora w późniejszym czasie.
Nie zapomnij o zewnętrznym garażu.
Jeśli masz garaż, warsztat w którym planujesz majsterkować, warto rozważyć czy nie zamontować tam słuchawki unifonu.
Ciekawostka
Czy wiesz, że część producentów wideodomofonów umożliwia założenie monitora lub unifonu?
Oznacza to, że w bramie możesz założyć kasetę bramową wyposażoną w kamerę (od wideodomofonu) natomiast w budynku możesz wszędzie założyć słuchawki unifonu. Takie rozwiązanie jest stosowane gdy z różnych powodów chcesz zrobić ekonomiczną instalację, którą w przyszłości będziesz mógł modyfikować wymieniając unifony (słuchawki) na monitory.
Przykład 1
Zobacz na przykładzie polskiego producenta Zamel. Do jednego panelu zewnętrznego można założyć całą serię monitorów. Poniżej przykład kilku wybranych produktów. Mimo, że niektóre prawie nie różnią się wyglądem, mają różne funkcje – zobacz zestawienie.
![]() |
||||
| Zewnętrzny panel wideo jednorodzinny czarny VO-811B ENT10000409 | ||||
![]() |
![]() |
![]() |
![]() |
![]() |
| Wideomonitor z dotykowymi przyciskami 7 cali biały VP-819W ENT10000404 | Wideomonitor z dotykowymi przyciskami 7 cali biały VP-829W ENT10000402 | Wideomonitor z dotykowymi przyciskami 4,3 cala biały VP-817W ENT10000408 | Wideomonitor z dotykowymi przyciskami 4,3 cala czarny VP-816B ENT10000405 | Wideomonitor z dotykowym ekranem 7 cali czarny VP-809B ENT10000387 |
| Porównanie cech i funkcji produktu | ||||
![]() |
||||
Przykład 2
Dla domku jednorodzinnego można złożyć zestaw w skład którego wchodzi kaseta bramowa z kamerą i szyfratorem, dwa monitory oraz słuchawka unifonu:
| Zestaw wideodomofonowy bezsłuchawkowy, kolor 7” z szyfratorem, natynkowy, czarny, CRUX OR-VID-VP-1049/B | ![]() |
| Wideo monitor bezsłuchawkowy 7cali LCD + zasilacz 15V DC otwieranie bramy VP OR-VID-VP-1009MV/B | ![]() |
| Wideo unifon VP OR-VID-VP-1009UV | ![]() |
WAŻNE
Pytanie w ilu miejscach montować unifon / monitor jest jak najbardziej zasadne, ponieważ domofony / wideodomofony mają swoje ograniczenia np. tylko jeden unifon / monitor, lub dwa unifony / monitory.
Chcąc dołożyć kolejną (trzecią, czwartą) słuchawkę należy zastosować wzmacniacz, zasilacz itd. U większości producentów nie stanowi to problemu na etapie układania przewodów. Natomiast montaż dodatkowego wzmacniacza (w wykończonym domu) może okazać się kłopotliwy chociażby ze względu na wielkość i często modułową budowę wzmacniacza.
Część szczególnie najtańszych rozwiązań nie daje żadnej możliwości rozbudowy. Warto zwrócić na to uwagę przed zakupem domofonu / wideodomofonu.
Warto zastanowić się również czy unifon / monitor montować w ciągach komunikacyjnych np. przedpokój, czy może przy drzwiach wejściowych, lub w kuchni? W tym temacie nie ma uniwersalnej lokalizacji, warto przedyskutować lokalizację unifonów / monitorów z domownikami. To Wasz wybór.
Oprzewodowanie
W systemach domofonowych / wideodomofonowych (o ile producent nie zaleci inaczej) zalecane jest używanie przewodów i kabli telekomunikacyjnych.
- W ziemi należy używać kabli ziemnych, których konstrukcja zawiera dodatkową zaporę przeciwwilgociową np. XzTKMXpw.
- Wewnątrz budynku należy używać przewodów np. YTKSY
Stosowanie skrętki komputerowej np. U/UTP, U/FTP jest błędem i w wielu przypadkach szczególnie przy większych odległościach może wprowadzać zakłócenia. Jest to spowodowane inną budową wewnętrzną przewodów i kabli oraz zachodzącymi w nich zjawiskami fizycznymi.
Ułożenie przewodów wnętrzowych w ziemi, z czasem powoduje gromadzenie się wilgoci wewnątrz przewodu co stopniowo pogarsza jakość prowadzonych rozmów.
Używanie przewodów ekranowanych również nie jest wskazane, ponieważ wymusza konieczność prawidłowego uziemienia ekranu. Brak uziemienia ekranu również może powodować zakłócenia w pracy urządzenia. Dodatkowo w przewodach ekranowanych występuje efekt pojemności który w wielu przypadkach również nie jest korzystny.
Więcej na temat przewodów i kabli znajdziesz w innym artykule. Zobacz >>
Zasilanie
Każde urządzenie elektryczne wymaga zasilania energią elektryczną. W zależności od producenta spotykamy różne rozwiązania i nie można przyjąć uniwersalnego zasilania.
Część producentów, zaleca poprowadzenie zasilania ELKTROZACZEPU osobnym przewodem ze względu na spadki napięcia i możliwość wystąpienia zakłóceń w momencie otwierania bramki.
Zasilanie kasety bramowej zazwyczaj odbywa się tym samym kablem jakim prowadzona jest komunikacja.
Niektórzy instalatorzy mogą w tym miejscu stwierdzić – a u mnie działa. Od kiedy montuję nie miałem takich problemów.
Gratulacje – oznacza to, że robisz na urządzeniach dobrego producenta, lub masz mało wymagających klientów, którzy zakłócenia traktują jako rzecz normalną i nie składają z tego powodu reklamacji.
Czy działa, czy nie zależy w dużej mierze od jakości wykonanej przez producenta elektroniki oraz od odległości (licząc po kablu) jakie występują na budowie. Jeżeli producent wykonał swoje urządzenia w sposób który ogranicza zakłócenia oraz uwzględnił występowanie spadków napięć np. urządzenie działa poprawnie w zakresie napięć od 6 – 17 V mimo, że w danych katalogowych podaje zasilanie 12 V ma margines bezpieczeństwa. W takiej instalacji przy większości budów spadki napięć nie powinny być uciążliwe.
Z różnymi zakłóceniami związanymi z domofonami i wideodomofonami spotykam się szczególnie w przypadkach gdy brama jest oddalona od budynku powyżej 30 metrów (licząc po kablu sporo więcej), oraz gdy na tym odcinku kable „domofonowe” są ułożone w ziemi razem z kablami zasilającymi np. automatykę bramy i poprowadzone są w jednej rurze osłonowej np. fi 70.
Urządzenia bezprzewodowe
Urządzenia bezprzewodowe również wymagają zasilania. W większości przypadków można zasilić je przewodem / kablem podłączonym poprzez zasilacz do sieci 230 V. Niektóre rozwiązania mają zasilanie z wbudowanej baterii co wiąże się z koniecznością wymiany.
Określenie bezprzewodowe najczęściej odnosi się do sposobu komunikacji pomiędzy stacja bramową a unifonem / monitorem.
Część producentów w celu obniżenia kosztów jako monitor wykorzystuje urządzenia mobilne np. smartfon, tablet.
Rozmawiając o urządzeniach bezprzewodowych warto zastanowić się o czym mówimy? Czy urządzenia rozsyłają własna sieć np. radiową za pomocą której się komunikują? A może do komunikacji wykorzystują Wi-Fi? Jaką częstotliwość 2,4 GHz czy 5 GHz?
Warto zastanowić się czy bezprzewodowa sieć będzie działać dobrze, czy nie napotka przeszkód lub zakłóceń, które uniemożliwią korzystanie z zakupionych urządzeń. Sprawdź czy producent oferuje wzmacniacze, repeatery sygnału?
Jeśli nie co w przypadku gdy sygnał pomiędzy stacja bramową a odbiornikiem będzie zbyt słaby?
Korzystając z komunikacji Wi-Fi należy sprawdzić jakość sygnału (możesz to zrobić aplikacja w Twoim smarfonie np. Wifi Analyzer).
Popularne, najtańsze routery z funkcją Wi-Fi mogą okazać się zbyt słabe aby obsłużyć kilka smartfonów, laptopy, i wideodomofon. Może okazać się konieczność wymiany urządzeń lub dołożenie dodatkowych access point do Twojej domowej sieci Wi-Fi. Zagadnienia związane z siecią Wi-Fi poruszałem w innym artykule. Zobacz >>
O czym jeszcze warto pamiętać?
Zwróć uwagę jakie funkcje dodatkowe ma domofon / wideodomofon. W domku jednorodzinnym najczęściej przydają się:
- możliwość otworzenia bramki i bramy wjazdowej osobnymi przyciskami,
- możliwość otwierania furtki za pomocą wbudowanej w stację bramową:
- klawiatury numerycznej
- karty zbliżeniowej
- możliwość przekierowania rozmowy na telefon komórkowy (osoba dzwoniąca nie wie czy jesteśmy w domu czy nie).
- Możliwość regulacji głośności dzwonka w wybranym unifonie / monitorze (szczególnie przydatna funkcja jeśli w domu są małe dzieci lub osoby starsze).
- Funkcja interkomu (możliwość prowadzenia wewnętrznych rozmów pomiędzy unifonami / monitorami).
Dotyczy tylko wideodomofonu
- możliwość robienia i przechowywania zdjęć osobom dzwoniącym
- możliwość podłączenia zewnętrznej kamery wraz z możliwością przełączania obrazu (zewnętrzna kamera może obejmować inny obszar).
- Możliwość regulowania pola widzenia kamery (funkcja szczególnie przydatna do korekty w trakcie użytkowania gdzie korekta pola widzenia kamery wiąże się z koniecznością zmiany mocowania obudowy). Zagadnienie przedstawia poniższa grafika.
- Akcesoria dodatkowe np. daszki, podstawki montażowe.
- Czy kamera jest kolorowa, czarno-biała i jak zachowuje się po zapadnięciu zmroku? Zagadnienia związane z kamerami zostały omówione w artykule dotyczącym monitoringu. Zobacz >>
Podsumowanie
Na etapie układania przewodów nie wiesz jeszcze jaki domofon / wideodomofon będzie zamontowany? To nic.
- Rozplanuj gdzie mają znajdować się unifony / monitory.
- Do każdego przewidywanego monitora / unifonu doprowadź zasilanie 230 V tak aby można było podłączyć monitor (połączenie można zrobić np. w puszce za monitorem).
- Wyznacz punkt centralny w którym zostaną zamontowane wzmacniacze, zasilacze itp.
- Do punktu centralnego doprowadź rurki w które w przyszłości wciągnięte zostaną przewody. Unikaj zbyt dużej ilości zakrętów lub długich odcinków. Rób puszki rewizyjne które ułatwią wprowadzenie przewodów do rurek.
- Z punktu centralnego do stacji bramowej warto położyć karbowaną rurę osłonową np. fi 50 mm
O czym jeszcze nie pomyślałem?
Czasami w domku jednorodzinnym do jednego monitora warto zamontować dwie lub trzy stacje bramowe. Jest to korzystne jeśli domek ma tylną bramkę, lub gdy chcemy na bramce założyć stację bramową dla gości, którzy przyjdą pieszo, natomiast dla zmotoryzowanych gości założyć słupek, który pozwoli naszym gościom skorzystać z wideodomofonu bez wysiadania z samochodu.
Z życia praktyka 😉
W przypadku domofonów i wideodomofonów w domku jednorodzinnym najbardziej przydaje się umieszczony na zewnątrz budynku dodatkowy przycisk otwierający bramkę.
Chodząc koło domu, jeśli będziesz chciał na chwilę wyjść przed bramkę pogadać z sąsiadem, musisz iść po klucz od bramki, lub iść do najbliższego unifonu / monitora aby otworzyć sąsiadowi bramkę. Zresztą sam sobie będziesz mógł otworzyć bramkę tylko jeśli masz zamontowany elektrozaczep z pamięcią (szerzej o elektrozaczepach w artykule Elektrozaczep – poradnik doboru).
Jeśli masz podstawowy elektrozaczep (bez pamięci) dodatkowy przycisk (może być podłączony pod przekaźnik czasowy) umożliwia po naciśnięciu natychmiastowe otworzenie bramki lub uruchomienie elektrozaczepu po czasie ustawionym na przekaźniku czasowym.
Przycisk powinien być tak umieszczony, aby nie był dostępny dla osób postronnych (z zewnątrz), ale na tyle blisko aby domownicy nie mieli trudności z jego naciśnięciem.
Temat domofonów i wideodomofonów szczegółowo omówię w osobnym artykule.
Elementy Inteligentnego Domu
Omówić elementy instalacji Inteligentnego Budynku jest niezmiernie trudno, ponieważ wszystko zależy od wybranych przez Ciebie funkcjonalności.
Szerzej omówiłem to w artykule: Inteligentny Dom, jaki system wybrać. Na pewno, każdy dobrze wykonany system system IB będzie zawierał wszystkie elementy omówione w artykule: Ile za elektryka, czyli za co płacisz elektrykowi? oraz większość zagadnień omówionych w tym artykule i artykule: O czym pamiętać w instalacji elektrycznej? Część 1 oraz artykule Monitoring, alarm, kontrola dostępu czyli o czym pamiętać? Część 2
Zagadnienia omówione w tych artykułach, często będą mocno rozbudowane.
W najprostszej wersji system Inteligentnego Budynku to DOBRZE WYKONANA tradycyjna instalacja elektryczna (omówiona w dwóch przytoczonych artykułach) zawierająca elementy automatyki (zostaną omówione w kolejnych artykułach).
Osobom budującym dom polecam artykuły:
A Ty co sądzisz w tym temacie? Zamieść swój komentarz.
Udostępniaj LEGALNIE! Czyli jak? Zobacz >>









































Marek
28 kwietnia 2021 o 23:09
Witam, posiadam instalacje dwużyłową bez żyły PE, i mam teraz doprowadzony przewod do rolet i czy to nie jest problem jeżeli silnik nie bedzie podpięty do żyły PE czy można zrobic mostek z żyła N?
Piotr Bibik
1 maja 2021 o 21:08
Proponuję zacząć od ustalenia jaki układ połączeń sieci jest w Pana instalacji elektrycznej. Jeśli mówimy o układzie TN-C, wówczas należy przewody N i PE od rolety połączyć razem do przewodu zasilającego N.
Jeżeli w Pana instalacji jest układ połączeń TT, nie może Pan dokonać takiego połączenia.
Może zdarzyć się, że w Pana instalacji występuje jeszcze inny układ zasilania. Proponuję zacząć od sprawdzenia jaki ma Pan układ zasilania. Informacji należy szukać w warunkach przyłączenia energii elektrycznej, lub zadzwonić do dostawcy energii elektrycznej.